首页
产品中心
防尘罩
观察窗
套管
钣金件
仪表件
其它
高低压带电作业
关于我们
公司简介
新闻资讯
公司新闻
行业资讯
客户服务
联系我们
EN
获取报价
首页
关于我们
公司简介
产品中心
防尘罩
观察窗
套管
钣金件
仪表件
其它
高低压带电作业
新闻资讯
公司新闻
行业资讯
客户服务
联系我们
产品中心
首页
产品中心
套管
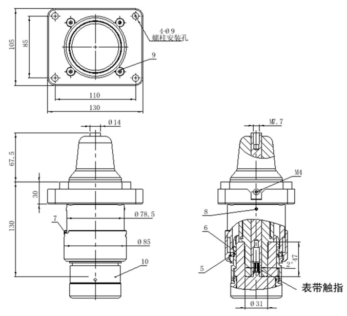
GY197-12KV/200A 快速应急取电套管(充气柜)
材质:金属件/绝缘件
使用说明:当环网柜设备主线路停电时,可断开进线开关,摘下节点快插接口堵头,用12kV发电机插头插入该节点快插接口,合闸PT节点开关,为环网柜出线回路供电。
推荐产品
推荐产品