首页
产品中心
防尘罩
观察窗
套管
钣金件
仪表件
其它
高低压带电作业
关于我们
公司简介
新闻资讯
公司新闻
行业资讯
客户服务
联系我们
EN
获取报价
首页
关于我们
公司简介
产品中心
防尘罩
观察窗
套管
钣金件
仪表件
其它
高低压带电作业
新闻资讯
公司新闻
行业资讯
客户服务
联系我们
产品中心
首页
产品中心
仪表件
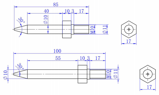
GY-T118 并柜导向杆
材质:Q235
使用说明:产品用于侧扩柜子与侧扩柜子并柜时用的固定导向。
推荐产品
GY-T104 熔丝压板螺丝螺套
查看详情
推荐产品
GY-T104 熔丝压板螺丝螺套
查看详情